Паспорт хаба Garm Link PRO-V1
Этот раздел содержит официальный паспорт устройства GARM Link PRO-V1.
Здесь вы найдёте все формальные сведения об изделии — технические данные, схемы подключения, правила эксплуатации и гарантии.
Паспорт приведён в оригинале, чтобы при необходимости вы могли использовать его при обслуживании и обращении в сервис.
|
ПАСПОРТ
на IoT-контроллер
«Garm Link PRO-V1»

ООО «ГАРМ»
420500, Республика Татарстан, Верхнеуслонский район,
г. Иннополис, ул. Университетская, д. 5
+7 (960) 250‑60‑00
1. Общие сведения
Документ содержит технические характеристики, комплектацию, условия эксплуатации и гарантийные обязательства на прибор приёмно-контрольный оконечный (ППКО) «GARM Link PRO-V1».
Изготовитель оставляет за собой право без предупреждения вносить изменения, связанные с совершенствованием изделия. Все изменения будут отражены в новой редакции паспорта.
2. Перечень сокращений
Таблица 1 — Перечень сокращений
|
Сокращение
|
Расшифровка
|
|
ППКО
|
Прибор приёмно-контрольный оконечный
|
|
АРМ
|
Автоматизированное рабочее место
|
|
АРМ ПЦО
|
Автоматизированное рабочее место для пункта централизованной охраны (мониторингового центра)
|
|
ПК, ПК ГАРМ
|
Программный комплекс «ГАРМ» (сервер, объектовые устройства, программное обеспечение для АРМ ПЦО, мобильные и веб-приложения)
|
|
Система «Астра-РИ-М»
|
Система беспроводной охранно-пожарной сигнализации «Астра-РИ-М»
|
|
АКБ
|
Аккумуляторная батарея, установленная в ППКО
|
|
ШС
|
Шлейф сигнализации
|
3. Назначение и область применения
3.1. ППКО предназначен для организации охранной, пожарной, тревожной, аварийной и других видов сигнализации на объекте в составе программного комплекса «ГАРМ».
3.2. ППКО обеспечивает:
-
приём информации от беспроводных датчиков ASTRA по радиоканалу 433 МГц;
-
контроль состояния проводных датчиков, подключённых к входам ППКО;
-
обмен зашифрованными данными между объектом и сервером через коммерческие сети TCP/IP (Интернет), сотовую связь GSM (GPRS) и проводную связь Ethernet.
4. Основные сведения и особенности
4.1. ППКО регистрирует и обрабатывает состояния до 32 беспроводных датчиков системы «Астра-РИ-М».
4.2. Обеспечивает обмен информацией с АРМ ПЦО и интернет-приложениями через сервер:
-
основной канал — Wi-Fi 802.11 b/g/n (до 150 Мбит/с)
-
резервный канал — SIM-карта (GPRS/EDGE, GSM)
-
приоритет каналов: сначала Wi-Fi, затем SIM-карта
4.3. Настройка и обслуживание ППКО выполняются с помощью АРМ ПЦО или интернет-приложений согласно инструкции пользователя. Мобильное приложение устанавливается из магазина приложений.
4.4. Внешнее электропитание ППКО осуществляется от двух независимых источников в любой комбинации:
-
от основного источника питания через адаптер 220/12V 2A (разъём DC)
-
от резервного источника питания с номинальным напряжением 12 В через клеммы +12VR- на плате
Осуществляется непрерывный контроль и оповещение о текущем состоянии электропитания.
4.5. Для резервирования питания внутри ППКО предусмотрены:
-
разъём для подключения встроенного литий-ионного (Li-Ion) аккумулятора с номинальным напряжением 3,7 В, ёмкостью 1800 мАч (устанавливается внутри корпуса)
-
разъём для подключения внешнего AGM (Absorbent Glass Mat — электролит, абсорбированный в стекловолоконном сепараторе) аккумулятора с номиналом 12 В, 7 Ач (размещается вне корпуса)
4.6. Примечания по питанию:
-
Подключение АКБ производится непосредственно перед подачей на ППКО внешнего питания.
-
Запуск ППКО только от АКБ невозможен. Без АКБ запуск ППКО возможен.
-
При переходе на питание от встроенной АКБ (Li-Ion) ППКО:
— обеспечивает связь как для Wi-Fi, так и для GPRS-канала
— обеспечивает питание проводных датчиков (выдаётся сообщение «Неисправность»)
— не обеспечивает питание проводных выходов
-
При переходе на питание от внешнего АКБ (AGM) ППКО:
— обеспечивает связь как для Wi-Fi, так и для GPRS-канала
— обеспечивает питание проводных датчиков (выдаётся сообщение «Неисправность»)
— обеспечивает питание проводных выходов
4.7. ППКО имеет встроенный вход Touch Memory (ТМ) для подключения считывателя ключей стандарта iButton и/или цифровых датчиков температуры. Коды ТМ регистрируются через АРМ ПЦО и пользовательские приложения.
4.8. ППКО имеет 8 встроенных сигнальных выходов (открытый коллектор) +CN_OUT_x- с программируемыми режимами работы. Настройка выходов осуществляется через АРМ ПЦО и интернет-приложения.
4.9. ППКО имеет 7 пар индивидуально программируемых входов +CN_ZONE_x-, которые могут использоваться в различных режимах:
-
В режиме выхода «открытый коллектор» (при питании от +12 В) возможно подключение нагрузки, например, оповещателя «Фотон-9», для ручного или автоматического управления (к клемме +CN_ZONE_x- и +12 В источника питания). Тактика работы («сигнальная лампа», «сирена» и др.) настраивается через АРМ ПЦО и интернет-приложения. В этом режиме клемма +CN_ZONE_x- не задействуется и может быть использована для входа ШС типа «охранный» или «технологический».
-
В режиме входа ШС «охранный» или «технологический» возможно подключение датчиков с выходом типа «сухой контакт», работающих на размыкание или замыкание (к клеммам +CN_ZONE_x-, 12V- или 12VR-). В этом режиме клемма +CN_OUT_x- не задействуется и может быть использована для настройки выхода.
-
В режиме входа ШС «пожарный» или «пожарный с двойной сработкой» возможно подключение двухпроводных шлейфов сигнализации с пожарными датчиками, питающимися по шлейфу (к клеммам +CN_ZONE_x-).
5. Схемы подключений
5.1. Подключение охранных датчиков
Состояние зоны определяется прибором путём измерения сопротивления цепи.
Границы состояний охранной логики:
0 ≤ «Нарушение» < 3,3 кОм
3,3 кОм ≤ «Норма» ≤ 5,6 кОм
5,6 кОм < «Нарушение»
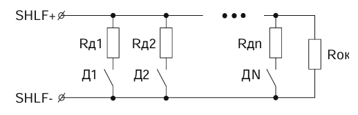
Рекомендуется использовать следующую схему подключения охранных датчиков с нормально замкнутыми (НЗ) и нормально разомкнутыми (НР) контактами (см. рисунок 1).

Рисунок 1. Схема подключения охранных датчиков
НЗ — нормально замкнутый контакт охранного датчика
НР — нормально разомкнутый контакт охранного датчика
Rок — оконечный резистор номиналом 4,7 кОм ±5%
5.2. Подключение пожарных датчиков
5.2.1. Состояния зон
Зоны с типом «пожарный» имеют три состояния:
-
Норма
-
Пожар (нарушение)
-
Неисправность (короткое замыкание или обрыв)
Зоны с типом «пожарный 2» имеют четыре состояния:
-
Норма
-
Внимание (нарушение 1-го порога)
-
Пожар (нарушение 2-го порога)
-
Неисправность (короткое замыкание или обрыв)
5.2.2. Индикация состояний:
«Пожар» — мигание красным цветом индикатора нарушенной зоны.
«Неисправность» — ровное красное свечение индикатора (замкнутый или оборванный шлейф).
«Внимание» — мигание зелёным цветом индикатора с частотой 1 Гц.
«Норма» — непрерывное зелёное свечение индикатора.
5.2.3.Особенности работы
В состоянии «Пожар» звуковая сигнализация может быть отключена с помощью ключей ТМ.
Для сброса пожарных датчиков блок с периодом 25 секунд отключает питание пожарных шлейфов.
Состояние пожарного шлейфа определяется по сопротивлению зоны.
5.2.4. Границы состояний
Пожарная логика:
0 ≤ «Неисправность» < 220 Ом
220 Ом ≤ «Пожар» < 2,5 кОм
2,5 кОм ≤ «Норма» ≤ 7 кОм
7 кОм < «Пожар» ≤ 20 кОм
20 кОм < «Неисправность»
Пожарная двухпороговая логика:
0 ≤ «Неисправность» < 220 Ом
220 Ом ≤ «Пожар» < 1,2 кОм
1,2 кОм ≤ «Внимание» < 2,5 кОм
2,5 кОм ≤ «Норма» ≤ 7 кОм
7 кОм < «Внимание» ≤ 12,5 кОм
12,5 кОм < «Пожар» ≤ 20 кОм
20 кОм < «Неисправность»
5.2.5. Рекомендуемые схемы подключения
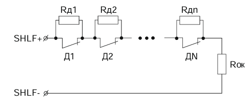
Схема 1. Подключение пожарных тепловых датчиков (тип «пожарный»):
Д1…ДN — контакты датчиков
Rок — оконечный резистор 5,6 кОм ±5%
RД1, RД2 … RДN — добавочные резисторы 5,6 кОм ±5%
Максимальное сопротивление проводов — 470 Ом
(см. рисунок 2)

Рисунок 2. Схема подключения пожарных тепловых датчиков к зоне с типом «пожарный»
Схема 2. Подключение пожарных дымовых датчиков (тип «пожарный»):
Д1…ДN — контакты датчиков
Rок — оконечный резистор 5,6 кОм ±5%
RД1, RД2 … RДN — добавочные резисторы 2,2 кОм ±5%
Максимальное сопротивление проводов — 470 Ом
(см. рисунок 3)

Рисунок 3. Схема подключения пожарных дымовых датчиков к зоне с типом «пожарный»
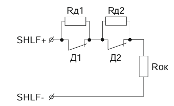
Схема 3. Подключение пожарных тепловых датчиков (тип «пожарный 2»):
Д1, Д2 — контакты датчиков
Rок — оконечный резистор 4,3 кОм ±5%
RД1, RД2 — добавочные резисторы 6,8 кОм ±5%
Максимальное сопротивление проводов — 470 Ом
(см. рисунок 4)

Рисунок 4. Схема подключения пожарных тепловых датчиков к зоне с типом «пожарный 2»
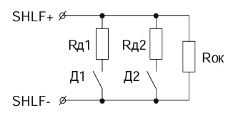
Схема 4. Подключение пожарных дымовых датчиков (тип «пожарный 2»):
Д1, Д2 — контакты датчиков
Rок — оконечный резистор 5,6 кОм ±5%
RД1, RД2 — добавочные резисторы 2,2 кОм ±5%
Максимальное сопротивление проводов — 470 Ом
(см. рисунок 5)

Рисунок 5. Схема подключения пожарных дымовых датчиков к зоне с типом «пожарный 2»
5.3. Подключение датчиков температуры
Для подключения датчиков температуры рекомендуется использовать следующую схему (см. рисунок 6):
Д1, Дn — датчики температуры DS18B20
Максимальное количество подключаемых датчиков — не более 10

Рисунок 6. Схема подключения датчиков температуры
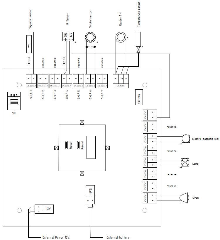
5.4. Внешние подключения
Внешние подключения ППКО включают подсоединение источников питания, резервных аккумуляторов, датчиков и исполнительных устройств.
Рекомендуемая схема внешних подключений приведена на рисунке 7.

Рисунок 7. Рекомендованная схема внешних подключений
6. Световая индикация
ППКО имеет световую индикацию.
В таблице ниже приведены основные режимы световой индикации для различных состояний.
Таблица 2 — Индикация ППКО
|
№ п/п
|
Состояние
|
Цвет
|
Эффект
|
Частота
|
Время
|
|
1
|
Связь с сервером по Wi-Fi
|
Зелёный–Синий
|
Пульсация
|
Медленно
|
Постоянно
|
|
2
|
Связь с сервером по GPRS
|
Зелёный– Оранжевый
|
Пульсация
|
Медленно
|
Постоянно
|
|
3
|
Нет связи с сервером
|
Красный
|
Пульсация
|
Медленно
|
Постоянно
|
|
4
|
Неисправность зоны
|
Белый–Чёрный
|
Мерцание
|
Быстро
|
30 сек.
|
|
5
|
Зона в режиме ВНИМАНИЕ
|
Оранжевый–Чёрный
|
Мерцание
|
Быстро
|
30 сек.
|
|
6
|
Зафиксирован ПОЖАР
|
Красный–Чёрный
|
Мерцание
|
Очень быстро
|
60 сек.
|
|
7
|
Зона в состоянии ТРЕВОГА
|
Красный–Синий
|
Переключение цветов
|
Очень быстро
|
60 сек.
|
|
8
|
Таймер ожидания постановки на охрану
|
Зелёный–Красный
|
Переключение цветов
|
Очень быстро
|
120 сек.
|
|
9
|
Охрана зоны включена
|
Зелёный
|
Статический цвет
|
—
|
Постоянно
|
|
10
|
Охрана зоны отключена
|
Зелёный
|
Статический цвет
|
—
|
Постоянно
|
|
11
|
Зона под охраной, связь по Wi-Fi
|
Зелёный–Синий
|
Пульсация
|
Быстро
|
Постоянно
|
|
12
|
Зона под охраной, связь по GPRS
|
Зелёный–Оранжевый
|
Пульсация
|
Быстро
|
Постоянно
|
|
13
|
Поиск беспроводных устройств на модуле Astra
|
Салатовый–Синий
|
Переключение цветов
|
Медленно
|
60 сек.
|
|
14
|
Поиск iButton
|
Голубой–Фиолетовый
|
Переключение цветов
|
Медленно
|
60 сек.
|
7. Основные технические характеристики
Таблица 3 — Основные технические характеристики
|
№ п/п
|
Параметр (единицы)
|
Значение
|
|
1
|
Количество подключаемых радиоустройств Astra (шт.)
|
до 32
|
|
2
|
Количество входов (шт.)
|
до 7
|
|
3
|
Количество входов (тип 1-Wire) (шт.)
|
1
|
|
4
|
Количество выходов (тип открытый коллектор) (шт.)
|
до 8
|
|
5
|
Количество добавляемых ключей Touch Memory (шт.)
|
до 25
|
|
6
|
Количество зон (шт.)
|
до 10
|
|
7
|
Количество температурных датчиков DS18B20 (шт.)
|
до 10
|
|
8
|
Напряжение питания (В, DC)
|
12
|
|
9
|
Потребляемый ток (А)
|
2
|
|
10
|
Внешний резервный аккумулятор (В / А·ч)*
|
12 / 7
|
|
11
|
Встраиваемый аккумулятор (Li-Ion) (В / А·ч)
|
3,7 / 1,8
|
|
12
|
Тип защиты от вскрытия
|
датчик вскрытия (темпер)
|
|
13
|
Рабочая частота радиоканала РИ-М (МГц)
|
433,42
|
|
14
|
Дальность действия радиосигнала (м)**
|
до 100
|
|
15
|
Каналы связи
|
GSM/GPRS (900/1800 МГц), Wi-Fi (2,4 ГГц)
|
|
16
|
Количество SIM карт (шт.)
|
1
|
|
17
|
Степень защиты
|
IP20
|
|
18
|
Габаритные размеры (мм)
|
160 × 160 × 39
|
|
19
|
Масса, не более (кг)
|
0,64
|
|
20
|
Средний срок службы (лет)
|
8
|
|
21
|
Диапазон рабочих температур (°С)
|
–10…+50
|
|
22
|
Допустимая влажность воздуха при +25 °С, без конденсации влаги (%)
|
до 98
|
Примечания:
* Внешний аккумулятор заменяемый
** Дальность действия радиосигнала указана при отсутствии преград (стен, дверей, перекрытий). При наличии помех или особенностей объекта дальность может снижаться.
8. Комплектность
Таблица 4 — Комплектность
|
№ п/п
|
Наименование
|
Количество
|
|
1
|
Прибор приёмно-контрольный охранный «GARM Link PRO»
|
1 шт.
|
|
2
|
Аккумуляторная батарея A (Li-Ion), 3,7 В, 1800 мА·ч
|
1 шт.
|
|
3
|
Винт 3×30
|
4 шт.
|
|
4
|
Дюбель 6×30
|
4 шт.
|
|
5
|
Паспорт
|
1 экз.
|
9. Сведения об утилизации
9.1. ППКО не представляет опасности для жизни, здоровья людей и окружающей среды.
9.2. После окончания срока службы утилизация прибора производится без необходимости применения специальных мер защиты окружающей среды.
9.3. Утилизацию аккумуляторной батареи рекомендуется осуществлять путём безвозмездной сдачи в торговую организацию, сервисный центр, производителю оборудования или специализированную организацию, занимающуюся приёмом отработанных элементов питания и батарей.
10. Гарантийные обязательства
10.1. Изготовитель гарантирует соответствие ППКО техническим условиям при соблюдении потребителем условий транспортирования, хранения, монтажа и эксплуатации.
10.2. Гарантийный срок хранения — 5 лет с даты изготовления.
10.3. Гарантийный срок эксплуатации — 5 лет со дня ввода в эксплуатацию, но не более 5 лет с даты изготовления.
10.4. Средний срок службы ППКО составляет 8 лет.
10.5. В течение гарантийного срока изготовитель обязуется производить ремонт или замену ППКО.
10.6. Гарантия не распространяется на случаи:
-
несоблюдения требований инструкции пользователя
-
механических повреждений ППКО
-
ремонта ППКО лицом, не являющимся изготовителем
10.7. Гарантия распространяется только на ППКО. На оборудование других производителей, используемое совместно с ППКО (аккумуляторные батареи, соединительные кабели и др.), гарантия не распространяется.
10.8. Изготовитель не несёт ответственности за ущерб здоровью, имуществу, а также за любые прямые или косвенные убытки, возникшие вследствие неправильного использования, выхода из строя или временной неработоспособности ППКО, либо основанные на заявлении пользователя о невыполнении ППКО своих функций.